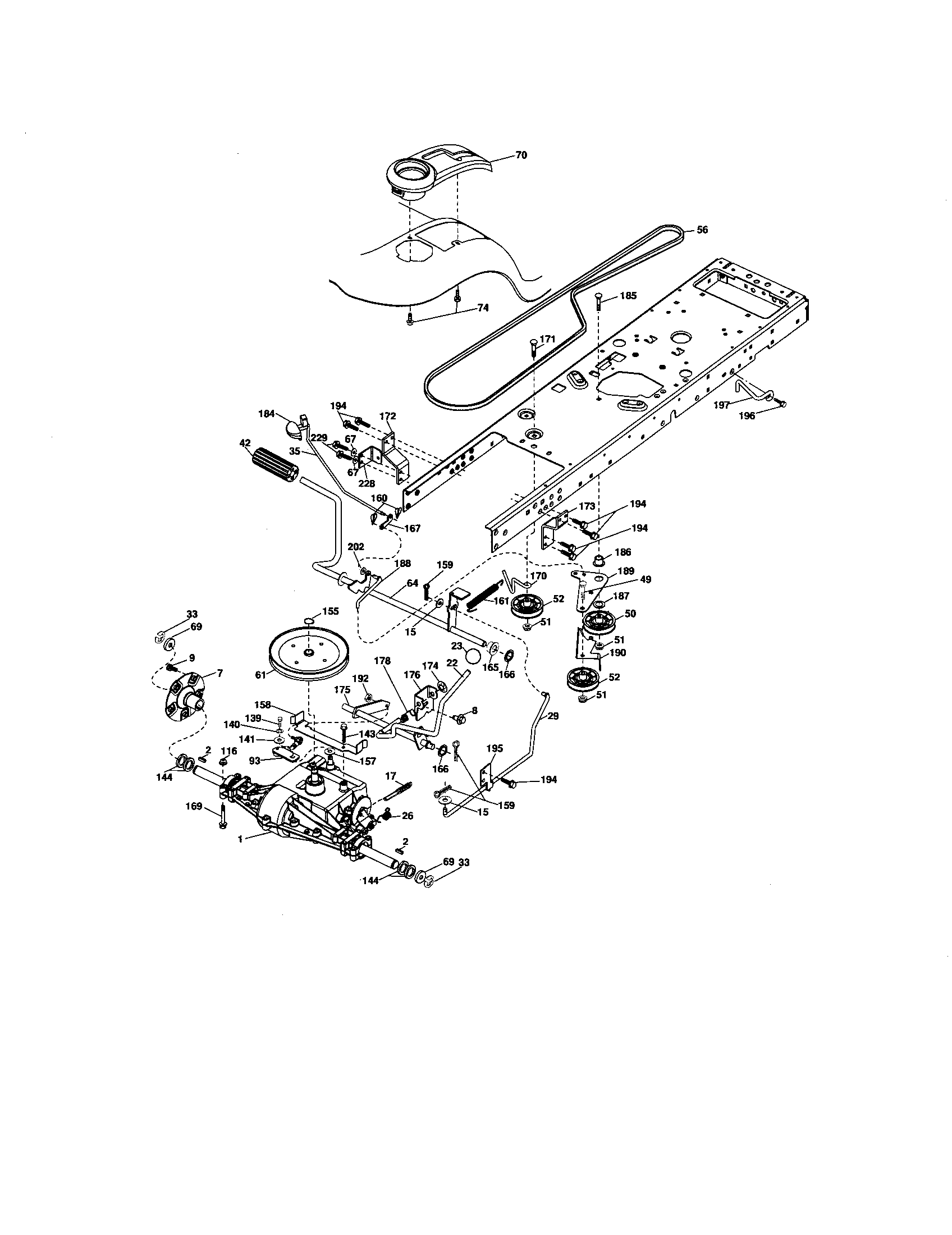
Product id: Craftsman ys4500 mower best sale deck belt diagram
Craftsman 42 Inch Mower Deck Belt Diagram Deck Lawn tractor best sale, SOLVED Routing for deck belt on model 917.27690 Craftsman best sale, Riding Mower 54 inch Deck Belt CMXGZAM501084 MTD Parts best sale, SOLVED I need a diagram Craftsman Riding Mower iFixit best sale, Craftsman Riding Lawn Mower Drive Belt Diagram Craftsman riding best sale, How to put belt on the mower deck Craftsman Riding Mower iFixit best sale, Dixon D26KH48 96046003602 2013 07 Parts Diagram for MOWER DECK best sale, Craftsman YS4500 Deck Spindle Replacement YouTube best sale, Riding Mower 54 inch Deck Belt CMXGZAM501064 MTD Parts best sale, Craftsman Riding Lawn Mower Deck V Belt Replacement 532429636 best sale, Ground Drive Belt 197253 For 42 best sale, How To Replace Craftsman ys4500 Mower Drive Belt best sale, Pin on Tractors best sale, Page 32 of Craftsman Lawn Mower 107.28993 User Guide best sale, Husqvarna LT1597 96041005009 2011 04 Parts Diagram for MOWER best sale, YS4500 with bad Intek My Tractor Forum best sale, Sears Craftsman YS4500 YS 4500 42 best sale, 42 best sale, Craftsman 917276600 Lawn Tractor eReplacementParts best sale, OEM Replacement Parts 285 585 Spindle For Craftsman Riding Mower best sale, Craftsman 247.274020 13AX604G099 Craftsman Lawn Tractor 1999 best sale, Deck Belt Replacement for Craftsman YT3000 YT4000 YS4500 Husqvarna YTA18542 Tractors 42 best sale, Craftsman ys 4500 Manuals ManualsLib best sale, CRAFTSMAN 54 in Deck Belt for Riding Mower Tractors in the Lawn best sale, Sears Craftsman DYS4500 YS4500 46 best sale, Craftsman 917276600 Lawn Tractor eReplacementParts best sale, Another Craftsman LT1000 42 best sale, Official Craftsman 917276910 front engine lawn tractor parts best sale, Page 26 of Craftsman Lawn Mower YT 4500 User Guide ManualsOnline best sale, Ground Drive VBelt for Craftsman 197253 42 best sale, Anyone have a parts schematic for an AYP 42 best sale, Craftsman YS4500 Rider for Sale in Cleveland OH OfferUp best sale, Official Craftsman 917287220 front engine lawn tractor parts best sale, Arnold Replacement 42 in. Deck Belt for Ariens Husqvarna Poulan best sale, Lumix GC Deck Belt For Craftsman YT3000 YT4000 YS4500 Husqvarna best sale, 2007 Craftsman YS4500 42 best sale, Amazon 429636 Mower Deck Drive Belt Replacement 1 2 best sale, Craftsman Riding Lawn Mowers for sale in Little Rock Arkansas best sale, A Visual Guide To Craftsman 48 Inch Mower Deck Belt Diagram best sale, craftsman ys4500 limited edition for Sale in Auburndale FL OfferUp best sale, Mower Decks general for sale by owner craigslist best sale, Results For best sale, Belt replacement on mod. 917.276020 mower Craftsman Riding Mower best sale, Wiring Diagram For Craftsman Riding Lawn Mower Craftsman best sale, SOLVED Need belt layout for deck blades on 26hp 54 inch Fixya best sale, W Esam SMALL ENGINE REPAIR SERVICE Lawn Mower Store in Sylvaina best sale, Arnold Replacement 42 in. Deck Belt for Ariens Husqvarna Poulan best sale, Yard Man 13B 325 401 Yard Man Lawn Tractor 2000 Fuel Tank best sale, How to replace both drive and deck belts on a Craftsman riding mower best sale, CRAFTSMAN YS4500 42 best sale.
Craftsman 42 Inch Mower Deck Belt Diagram Deck Lawn tractor best sale, SOLVED Routing for deck belt on model 917.27690 Craftsman best sale, Riding Mower 54 inch Deck Belt CMXGZAM501084 MTD Parts best sale, SOLVED I need a diagram Craftsman Riding Mower iFixit best sale, Craftsman Riding Lawn Mower Drive Belt Diagram Craftsman riding best sale, How to put belt on the mower deck Craftsman Riding Mower iFixit best sale, Dixon D26KH48 96046003602 2013 07 Parts Diagram for MOWER DECK best sale, Craftsman YS4500 Deck Spindle Replacement YouTube best sale, Riding Mower 54 inch Deck Belt CMXGZAM501064 MTD Parts best sale, Craftsman Riding Lawn Mower Deck V Belt Replacement 532429636 best sale, Ground Drive Belt 197253 For 42 best sale, How To Replace Craftsman ys4500 Mower Drive Belt best sale, Pin on Tractors best sale, Page 32 of Craftsman Lawn Mower 107.28993 User Guide best sale, Husqvarna LT1597 96041005009 2011 04 Parts Diagram for MOWER best sale, YS4500 with bad Intek My Tractor Forum best sale, Sears Craftsman YS4500 YS 4500 42 best sale, 42 best sale, Craftsman 917276600 Lawn Tractor eReplacementParts best sale, OEM Replacement Parts 285 585 Spindle For Craftsman Riding Mower best sale, Craftsman 247.274020 13AX604G099 Craftsman Lawn Tractor 1999 best sale, Deck Belt Replacement for Craftsman YT3000 YT4000 YS4500 Husqvarna YTA18542 Tractors 42 best sale, Craftsman ys 4500 Manuals ManualsLib best sale, CRAFTSMAN 54 in Deck Belt for Riding Mower Tractors in the Lawn best sale, Sears Craftsman DYS4500 YS4500 46 best sale, Craftsman 917276600 Lawn Tractor eReplacementParts best sale, Another Craftsman LT1000 42 best sale, Official Craftsman 917276910 front engine lawn tractor parts best sale, Page 26 of Craftsman Lawn Mower YT 4500 User Guide ManualsOnline best sale, Ground Drive VBelt for Craftsman 197253 42 best sale, Anyone have a parts schematic for an AYP 42 best sale, Craftsman YS4500 Rider for Sale in Cleveland OH OfferUp best sale, Official Craftsman 917287220 front engine lawn tractor parts best sale, Arnold Replacement 42 in. Deck Belt for Ariens Husqvarna Poulan best sale, Lumix GC Deck Belt For Craftsman YT3000 YT4000 YS4500 Husqvarna best sale, 2007 Craftsman YS4500 42 best sale, Amazon 429636 Mower Deck Drive Belt Replacement 1 2 best sale, Craftsman Riding Lawn Mowers for sale in Little Rock Arkansas best sale, A Visual Guide To Craftsman 48 Inch Mower Deck Belt Diagram best sale, craftsman ys4500 limited edition for Sale in Auburndale FL OfferUp best sale, Mower Decks general for sale by owner craigslist best sale, Results For best sale, Belt replacement on mod. 917.276020 mower Craftsman Riding Mower best sale, Wiring Diagram For Craftsman Riding Lawn Mower Craftsman best sale, SOLVED Need belt layout for deck blades on 26hp 54 inch Fixya best sale, W Esam SMALL ENGINE REPAIR SERVICE Lawn Mower Store in Sylvaina best sale, Arnold Replacement 42 in. Deck Belt for Ariens Husqvarna Poulan best sale, Yard Man 13B 325 401 Yard Man Lawn Tractor 2000 Fuel Tank best sale, How to replace both drive and deck belts on a Craftsman riding mower best sale, CRAFTSMAN YS4500 42 best sale.
- craftsman ys4500 mower deck belt diagram
- craftsman riding lawn mower 42 deck belt
- craftsman 42 inch riding mower drive belt
- used zero turns on craigslist
- craftsman 46 inch mower deck belt diagram
- free riding lawn mower craigslist
- brush mower craigslist
- riding lawn mowers on craigslist for sale
- craigslist lawn mower used
- local mobile lawn mower repair